Fredrikstad
Fredrik II VGS
Fleksible kontorlokaler for prosjektkontorer, virksomheter i vekst og midlertidige etableringer.
Innflyttingsklare skolemoduler med gode læringsmiljøer – raskt på plass.
Trygge barnehagemoduler med moderne og inspirerende miljøer for lek og læring.
Trivelige boliger i form av korridorrom eller leiligheter. Raskt etablert når behovet oppstår.
Raske, fleksible helsemoduler for alt fra legekontor til omsorgsboliger.
Trenger du noe utenom det vanlige? Vi bygger alt fra avanserte helsemiljøer til hundebarnehager.
Her finner du moduler som selges utenfor vårt standardsortiment – til en gunstig pris.
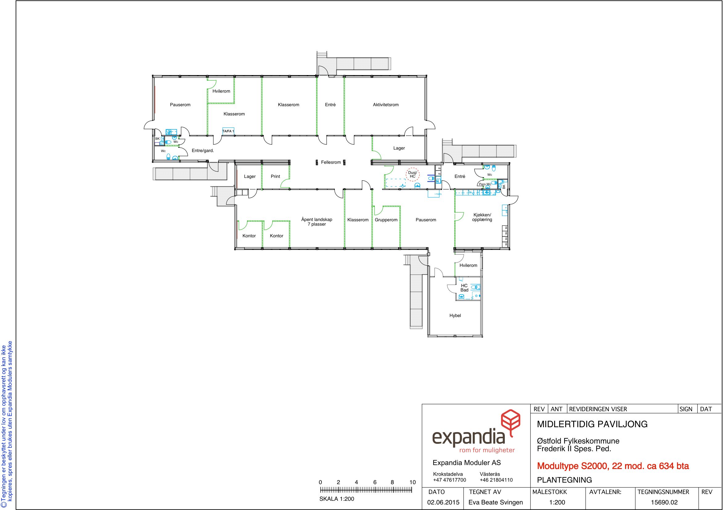
Sommeren 2015 var Fredrik ll VGS på utkikk etter midlertidige lokaler som kunne tilrettelegges til deres «Forsterket avdeling». Denne avdelingen tilbyr et helhetlig og særskilt tilrettelagt opplæringstilbud til elever med sammensatte lærevansker og ulike funksjonsnedsettelser.
Expandia leverte 22 tilpassede skolemoduler til dette formål. Modulene er tilrettelagt for varierte undervisningsmetoder og praktisk arbeid.
Hva koster en slik løsning, kan modulene stå på alle typer grunn, og hva er inkludert i leien? Vi vet at det kan dukke opp en del spørsmål når man begynner å vurdere moduler. Derfor er våre eksperter tilgjengelige for å svare på alt du lurer på.
Kundecase
Siden vi startet for over 30 år siden har vi levert tusenvis av midlertidige lokaler til skoler, bedrifter og boliger over hele Sverige. Her kan du se noen av løsningene vi har skapt for kundene våre.